Вакуумный насос DVP LC.305
Вакуумный насос DVP LC.305 — это одноступенчатый масляный пластинчато-роторный вакуумный насос.
Современное исполнение вакуумного насоса DVP LC.305 имеет электродвигатель премиального класса эффективности IE3 и поставляется под артикулом 9603041/SF.
Вакуумный насос DVP LC.305 имеет производительность 305 м3/ч и достигает предельного уровня вакуума до 0,1 мбар абс. Насос комплектуется электродвигателем мощностью 7,5 кВт производства Lafert (Италия).
Газобалластный клапан имеет шаровой кран, позволяющий открывать или закрывать его при необходимости. Если имеет место откачка влажного воздуха, рекомендуется открыть клапан для уменьшения конденсации паров внутри насоса. Более высокий уровень вакуума достигается при закрытом газобалластном клапане.

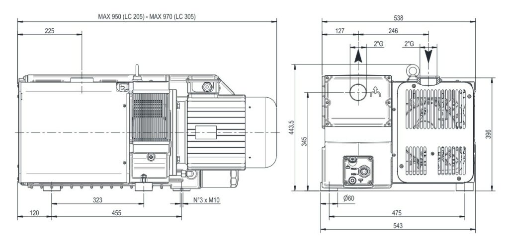
Пластинчато-роторный вакуумный насос DVP LC.305 имеет компактную моноблочную конструкцию с муфтовым соединением с электродвигателем. Модель LC.305 комплектуются масляным фильтром с байпасом. Насос поставляется установленным на виброопорах.
Назначение вакуумного насоса DVP LC.305
Одноступенчатый пластинчато-роторный вакуумный насос DVP LC.305 предназначен для откачки воздуха и небольшого количества пара, а также других инертных, некоррозионных и невзрывоопасных газов.
- Рекомендуемая температура воздуха на входе и окружающей среды: от +12°C до +40°C
- Насос предназначен как для непрерывного режима эксплуатации, так и для цикличного режима.
Комплектация DVP LC.305
-
- Система рециркуляции масла с поплавковым клапаном: позволяет насосу достигать уровня вакуума в 0,1 мбар и работать в режиме непрерывной эксплуатации
- Сепаратор масла с выхлопным фильтром: степень отделения масляных паров на выходе 99,95%, что гарантирует отсутствие масляной взвеси в рабочем помещении и минимальный унос масла
- Газобалластный клапан: путем напуска атмосферного воздуха на стадии сжатия и выпуска откачиваемой среды из насоса позволяет уменьшить конденсацию паров в насосе
- Обратный клапан: при отключении насоса предотвращает попадание масла из насоса в магистраль всасывания и вакуумную систему
- Масляной фильтр с байпасом: обеспечивает фильтрацию вакуумного масла в насосе
- Виброопоры
- Электродвигатель премиального класса эффективности IE3 пр-ва ICME (Италия)
- Вакуумное масло
Применение DVP LC.305
- Прессование
- Формование
- Дегазация
- Вакуумная упаковка
- Мясопереработка
- Универсальное промышленное применение
Скачать
Опции
-
-
- Воздушный фильтр на входе
- Отделитель жидкости
- Штуцер на входе под шланг
- Вакуумметр
- Индикатор состояния выхлопного фильтра
- Датчик состояния выхлопного фильтра
- Датчик уровня масла
- Комплект для техобслуживания
- Комплект для капремонта
-





Отзывы
Отзывов пока нет.